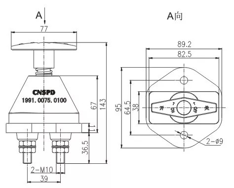
Name: 12V 24V 250A VOLVO MAN HOWO truck battery main switch
Rated Voltage: 12/24V DC
Rated Current: 250A
Transient Current: 2500A(5S)
Working Temperature: -40℃- +75℃
OE no.: 1589291, 1991.0076.0100, WG9100760100
Application: VOLVO, HOWO

名称: 电源总开关
额定电压:12/24V DC
额定电流:250A
瞬时电流:2500A(5S)
工作温度:-40℃- +75℃
OE号:1589291、1991.0076.0100、WG9100760100
适用车型:沃尔沃、豪沃