Product Name: 24V 40A 4PIN bus truck relay
Rated Voltage: 24VDC
Rated Current: 40A
Contact Configuration 1 Form A (SPST/NO)
Operating Temperature: -40℃ ~ +75℃
Electrical Life: 50,000 cycles
Type of Enclosure: Dust proof cover
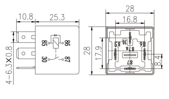
Dimension: 28.0 × 28.0 ×36.1 mm
OE No.: 207 545 0105
Application: BEIBEN
