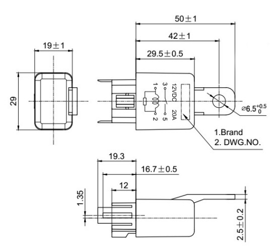
Product Name: 12V 20A 4PIN auto air conditioner relay
Rated Voltage: 12VDC
Rated Current: 20A
Contact Configuration: 1 Form A (SPST/NO)
Operating Temperature: -40℃ ~ +75℃
Electrical Life: 100,000 cycles
Type of Enclosure: Dust proof cover
Dimension:29.0 × 19.0 ×69.3 mm
Reference No.: RS580-40280R SANDEN
Application: Peugeot 206, 405
