Product Name: 12V 24V 150A truck bus starter relay
Rated Voltage: 24VDC(12VDC is optional)
Rated Current: 150A
Contact Configuration 1 Form A (SPST/NO)
Operating Temperature: -40℃ ~ +75℃
Electrical Life: 50,000 cycles
Type of Enclosure: Dust proof cover
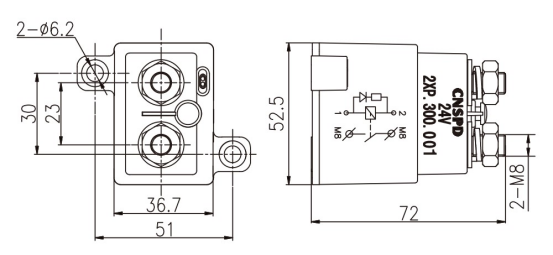
Dimension: 52.5 × 51.0 ×72.0 mm
Application: Youngman, Cherdchai, Others
